
Bearing DSP8
| Part number: | DSP8 |
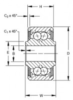
| PN | Bore B |
Diameter D |
Outside Inner Ring W |
Width Outer Ring H |
Shoulder Width Inner Ring E |
Dia Bore Corner Chamfer C(1) |
Inner RIng OD C(2) |
Balls | Max Radial |
Max Thrust |
Wgt |
| DSP3 | .1900 | .7774 | .500 | .392 | .304 | .005 | .022 | 24-1/2 | 1000 | 200 | .04 |
| DSP4 | .2500 | .9014 | .687 | .464 | .430 | .005 | .032 | 30-1/8 | 13000 | 300 | .06 |
| DSP5 | .3125 | 1.2500 | .812 | .656 | .515 | .015 | .032 | 28-3/16 | 2600 | 600 | .16 |
| DSP6 | .3750 | 1.4375 | .937 | .750 | .564 | .015 | .032 | 28-7/32 | 3600 | 800 | .24 |
| DSP8 | .5000 | 1.6875 | 1.000 | .812 | .775 | .015 | .044 | 30-1/4 | 5000 | 1000 | .36 |
| Unit | EA |
| Hazardous | No |
| Oversize | No |
| Weight | 0.163 kg |
| Manufacturer | |
| Manufacturer P/N | |
| GTIN | |
| Core Charge | Yes (add to cart to see price) |
| 110V device | Yes |
![]() | Call us at +49 7634 9057700 from 08:00 to 13:00 CET |